近年来生产高频逆变焊接电源的功率开关器件的多样化发展为开发各种容量,特性的逆变焊接电源提供了丰富的选择,磁性材料的发展为研究更高频率的变压器提供了保证。功率开管器件和磁性材料的技术支持,使得电源技术的关注重点从单纯的注重器件和电路单元的保护研究,逐渐转向更深层次的电路拓扑结构,软开关技术,电磁兼容以及智能控制技术的研究。
高频逆变焊接电源PIW-200C 产品特点:
1、LCD彩屏中文显示,操作简单易懂;
2、变压器内置,一体式设计,外观轻巧高效节能;
3、初级【定电流】【定脉宽】;
4、实时检测显示焊接电流,电压,功率,电阻等数据和波形;
5、丰富的I/O接口,与PC或PLC进行通讯,适合自动化对接;
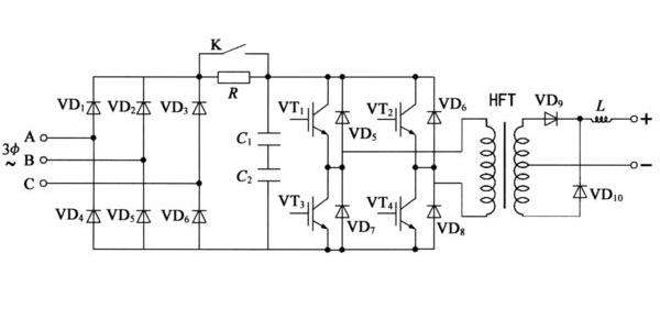
高频逆变焊接电源原理图:

高频逆变焊接电源PIW-200C产品优势:
1、直流方波输出,可设置电流缓升缓降,波形平整,逆变频率2K-8K可以根据客户需求定制,无交流过零点电流不连续的缺陷,热量集中,提高了焊接热效应。
2、由32位单片机控制,具有初级定电流,次级定电流,定电压,定功率,定脉宽占空比,同时对电流,电压,功率,电阻,占空比进行监控。
3、采用目前主流的桥式逆变技术,稳定节能可靠。
4、具有电流异常,监控值超限,过热等报警,并且通过I/O输出,提高焊接品质。
5、硬件自我保护功率,本公司所设计的产品,均采用厚膜保护,外部异常情况下,智能切换IGBT模块的驱动信号,增强系统保护功率。
6、多段多次加热设定,电流缓升缓降功能,中间冷却功能,多段重复功率,适合复杂焊接过程,复杂功率的需求。
7、63组参数存储,方便多种焊接品种的使用
8、强大的外部通讯功能:外部PLC可以通过8421码调用任何一组程序、具有焊接结束,故障,计数,良品与不良品判断,RS232数据通讯接口,适合自动化焊接。
9、强大的数据处理功能,采用目前市场最快的32位ARM芯片,外加逻辑处理器控制,比同行业用的PIC芯片快至少200倍。
10、响应速度快,采用了1K,4K,8KHZ的逆变频率,有交流和储能焊机从原理上无法超越的优势,同时也远远领先国内其他同行。
高频逆变焊接电源焊接实例:




QQ客服